污水流量計

- AK-SX7083流量積算儀
- ◆ 本儀表適合于蒸汽和一般氣體的測量,可用于內部計量和貿易計量。 ◆ 本儀表符合新版流量積算儀檢定規程《JJG1003-2016》 ◆ 本安裝使用手冊是以具備一定的流量計經驗知識為對象編寫的,使

- 數顯壓力表
- AK-SXYLB數字壓力表為全電子結構。前端采用高精度壓阻式壓力傳感器,輸出信號由高精度,低溫漂的放大器放大處理,送入高精度的A/D轉換器,轉換成微處理器可以處理的數字信號,經過運算處理,

- 乙酸乙酯液位計
- 乙酸乙酯液位計是公司引進吸收國外同類產品,并加以提高的產品。系列產品可以做到高密封、防泄漏和在高溫、高壓、高粘度、強腐蝕性條件下可靠地測量液位,全過程測量無盲區
污水流量計
一、概 述
AK-LDE型污水流量計屬于電磁流量計,由傳感器和轉換器兩部分構成。它是基于法拉第電磁感應定律工作的,用來測量電導率大于5μS/cm導電液體的體積流量,是一種測量導電介質體積流量的感應式儀表。除可測量一般導電液體的體積流量外,還可用于測量強酸強堿等強腐蝕液體和泥漿、礦漿、紙漿等均勻的液固兩相懸浮液體的體積流量。廣泛應用于石油、化工、冶金、輕紡、造紙、環保、食品等工業部門及市政管理,水利建設、河流疏浚等領域的流量計量。
二、工作原理
根據法拉第電磁感應原理,在與測量管軸線和磁力線相垂直的管壁上安裝了一對檢測電極,當導電液體沿測量管軸線運動時,導電液體切割磁力線產生感應電勢,此感應電勢由兩個檢測電極檢出,數值大小與流量成正比例,其值為:
E=KBVD
式中:
E-感應電勢;
K-與磁場分布及軸向長度有關的系數;
B-磁感應強度;
V-導電液體平均流速;
D-電極間距;(測量管內直徑)
傳感器將感應電勢E作為流量信號,傳送到轉換器,經放大,變換濾波用一系列的數字處理后,用帶背光的點陣式液晶顯示瞬時流量和累積流量。轉換器有4~20mA輸出,報警輸出及頻率輸出,并設有RS-485等通訊接口,并支持HART和MODBUS協議。
三、儀表特點
■全數字量處理,抗干擾能力強,測量可靠,精度高、流量測量范圍可達150:1;
■超低EMI開關電源,適用電源電壓變化范圍大,抗EMI性能好;
■采用16位嵌入式微處理器,運算速度快,精度高,可編程頻率低頻矩形波勵磁,提高了流量測量的
穩定性,功耗低;
■采用SMD器件和表面貼裝(SMT)技術,電路可靠性高;
■管道內無可動部件,無阻流部件,測量中幾乎沒有附加壓力損失;
■在現場可根據用戶實際需要在線修改量程;
■測量結果與流速分布,流體壓力,溫度、密度、粘度等物理參數無關;
■高清晰度背光LCD顯示,全中文菜單操作,使用方便,操作簡單,易學易懂;
■具有RS485、RS232、Hart和Modbus等數字通訊信號輸出;(選配)
■具有自檢與自診斷功能;
■小時總量計錄功能,以小時為單位記錄流量總量,適用于分時計量制(選配);
■內部具有三個積算器可分別顯示正向累積量反向累積量及差值積算量,內部設有不掉電時鐘,可記
錄16次掉電時間。(選配);
■紅外手持操作器,115KHZ通訊速率,遠距離非接觸操作轉換器所有功能(選配)。
|
表1 |
|||||||||||||||||||||||||||||||||||||||||||||||||||||||||||||||||||||||||||||||||||||||||||||||||||||||||||||||||||||||||||||||||||||||||||||||||||||||||||||||||||||||||||||||||||||||||||||||||||||||||||||||||||||||||||||||||||||||||||||||||||||||||||||||||||||||||||||||||||||||||||||||||||||||||||||||
|
|||||||||||||||||||||||||||||||||||||||||||||||||||||||||||||||||||||||||||||||||||||||||||||||||||||||||||||||||||||||||||||||||||||||||||||||||||||||||||||||||||||||||||||||||||||||||||||||||||||||||||||||||||||||||||||||||||||||||||||||||||||||||||||||||||||||||||||||||||||||||||||||||||||||||||||||
|
1.選型代碼 |
|||||||||||||||||||||||||||||||||||||||||||||||||||||||||||||||||||||||||||||||||||||||||||||||||||||||||||||||||||||||||||||||||||||||||||||||||||||||||||||||||||||||||||||||||||||||||||||||||||||||||||||||||||||||||||||||||||||||||||||||||||||||||||||||||||||||||||||||||||||||||||||||||||||||||||||||
|
表2 |
|||||||||||||||||||||||||||||||||||||||||||||||||||||||||||||||||||||||||||||||||||||||||||||||||||||||||||||||||||||||||||||||||||||||||||||||||||||||||||||||||||||||||||||||||||||||||||||||||||||||||||||||||||||||||||||||||||||||||||||||||||||||||||||||||||||||||||||||||||||||||||||||||||||||||||||||
|
|||||||||||||||||||||||||||||||||||||||||||||||||||||||||||||||||||||||||||||||||||||||||||||||||||||||||||||||||||||||||||||||||||||||||||||||||||||||||||||||||||||||||||||||||||||||||||||||||||||||||||||||||||||||||||||||||||||||||||||||||||||||||||||||||||||||||||||||||||||||||||||||||||||||||||||||
|
|
|||||||||||||||||||||||||||||||||||||||||||||||||||||||||||||||||||||||||||||||||||||||||||||||||||||||||||||||||||||||||||||||||||||||||||||||||||||||||||||||||||||||||||||||||||||||||||||||||||||||||||||||||||||||||||||||||||||||||||||||||||||||||||||||||||||||||||||||||||||||||||||||||||||||||||||||
|
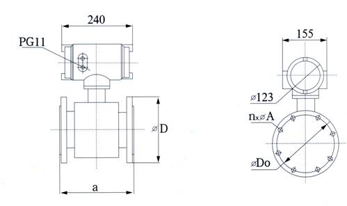
1.流量計外形尺寸 |
|
||||||||||||||||||||||||||||||||||||||||||||||||||||||||||||||||||||||||||||||||||||||||||||||||||||||||||||||||||||||||||||||||||||||||||||||||||||||||||||||||||||||||||||||||||||||||||||||||||||||||||||||||||||||||||||||||||||||||||||||||||||||||||||||||||||||||||||||||||||||||||||||||||||||||||||||
|
圖1 |
|
||||||||||||||||||||||||||||||||||||||||||||||||||||||||||||||||||||||||||||||||||||||||||||||||||||||||||||||||||||||||||||||||||||||||||||||||||||||||||||||||||||||||||||||||||||||||||||||||||||||||||||||||||||||||||||||||||||||||||||||||||||||||||||||||||||||||||||||||||||||||||||||||||||||||||||||
|
表6 |
|
DN |
a |
D |
Do |
n×A |
|
10 |
230 |
90 |
60 |
4×14 |
|
15 |
230 |
95 |
65 |
4×14 |
|
20 |
230 |
105 |
75 |
4×14 |
|
25 |
230 |
115 |
85 |
4×14 |
|
32 |
230 |
140 |
100 |
4×18 |
|
40 |
230 |
150 |
110 |
4×18 |
|
50 |
230 |
165 |
125 |
4×18 |
|
65 |
230 |
185 |
145 |
4×18 |
|
80 |
230 |
200 |
160 |
8×18 |
|
100 |
230 |
220 |
180 |
8×18 |
|
125 |
280 |
250 |
210 |
8×18 |
|
150 |
280 |
285 |
240 |
8×22 |
|
200 |
310 |
340 |
295 |
8×22 |
|
250 |
360 |
395 |
350 |
12×22 |
|
300 |
460 |
445 |
400 |
12×22 |
|
350 |
460 |
505 |
460 |
16×22 |
|
400 |
460 |
565 |
515 |
16×26 |
|
450 |
460 |
615 |
565 |
20×26 |
|
500 |
600 |
670 |
620 |
20×26 |
|
600 |
600 |
780 |
725 |
20×30 |
|
700 |
700 |
895 |
840 |
24×33 |
|
800 |
800 |
1015 |
950 |
24×33 |
|
900 |
900 |
1115 |
1050 |
28×33 |
|
1000 |
1000 |
1230 |
1160 |
28×36 |
|
1200 |
1200 |
1405 |
1340 |
32×33 |
|
1400 |
1400 |
1630 |
1560 |
36×36 |
|
1600 |
1600 |
1830 |
1760 |
40×36 |
|
1800 |
1800 |
2045 |
1970 |
44×39 |
|
2000 |
2000 |
2265 |
2180 |
48×42 |
|
2200 |
2200 |
2405 |
2315 |
52×45 |
相關資訊
聯系奧科
固話:0517-86919886
傳真:0517-86919886
手機:15261725556
地址:江蘇金湖縣工業園區工一路



